Ошибки преобразователей частоты Innovert

Меню

Заказать звонок

С 8:00 до 17:00

г. Москва, Старопетровский проезд, дом 7А, строение 6, помещение 304/1

Заказать звонок

Войти

Личный кабинет

Каталог

Коды ошибок преобразователей частоты Innovert

Оформление заказа

490

Преобразователи частоты Innovert серии ISD mini Plus широко используются в промышленности для управления асинхронными электродвигателями. Как и любое сложное оборудование, они могут выходить из строя, а их диагностика осуществляется с помощью кодов ошибок, отображаемых на дисплее устройства.

Таблица кодов ошибок Innovert серии ISD mini Plus

Коды ошибок Innovert ISD Mini Plus - сводная таблица
Код неисправности Тип неисправности Возможные причины Решения
oc1 Возникновение сверхтока при ускорении
  • Недостаточное время разгона ПЧ.
  • Неправильно задана V/F-характеристика.
  • Короткое замыкание в обмотках двигателя или утечка на землю.
  • Слишком большой «буст» (увеличение тока разгона).
  • Низкое или нестабильное напряжение в сети.
  • Пуск ПЧ при уже вращающемся двигателе.
  • Неправильные параметры запуска.
  • Внутренний дефект ПЧ или постоянная перегрузка.
  • Увеличить время разгона.
  • Настроить корректную V/F-характеристику.
  • Проверить изоляцию двигателя и обмотки (мегометром), устранить замыкания.
  • Уменьшить значение «буста».
  • Проверить и нормализовать входное напряжение сети.
  • Пускать ПЧ с учётом начального состояния ротора (частотный пуск).
  • Задать правильные параметры запуска или снизить нагрузку.
  • Если дефект внутренний — отослать ПЧ в сервис/заменить.
oc2 Возникновение сверхтока при торможении
  • Слишком короткое время торможения (рекуперации).
  • Недостаточная мощность ПЧ для текущей нагрузки.
  • Электромагнитные помехи или нестабильность сигнала.
  • Увеличить время торможения/рекуперации.
  • Снизить нагрузку или установить ПЧ большей мощности.
  • Устранить источники помех, улучшить экранирование и прокладку кабелей.
oc3 Возникновение сверхтока при постоянной работе
  • Повреждена изоляция двигателя или выводы.
  • Внезапные большие изменения нагрузки (заклинивание ротора).
  • Перепады или пониженное напряжение в сети.
  • Недостаточная мощность ПЧ для нагрузки.
  • Наличие источников ЭМИ в цепях питания/двигателя.
  • Проверить и восстановить изоляцию двигателя, ремонт/замена при необходимости.
  • Проверить механическую часть (подшипники, вал), устранить заклинивание.
  • Стабилизировать сеть питания или использовать линию с подходящим напряжением.
  • Увеличить мощность ПЧ или уменьшить рабочую нагрузку.
  • Улучшить экранирование, заземление, устранить помехи.
oU1 Перенапряжение при ускорении
  • Слишком высокое входное напряжение сети.
  • Некорректная конфигурация внешней цепи (например, использование контакторов для пуска).
  • Внутренний выход ПЧ вышел из строя.
  • Проверить входное напряжение и при необходимости устранить его превышение.
  • Не использовать внешние контакторы при пуске двигателя с ПЧ (или использовать рекомендованные схемы).
  • При подозрении на внутренний дефект — направить ПЧ в сервис.
oU2 Перенапряжение во время работы
  • Повышенное входное напряжение.
  • Некорректная работа ПИД-регулятора или обратной связи.
  • Неподходящий тормозной резистор/модуль (несоответствие по мощности или сопротивлению).
  • Проверить и скорректировать входное напряжение.
  • Настроить коэффициенты ПИД и проверить датчики обратной связи.
  • Подобрать тормозной резистор и модуль соответствующей мощности.
oU3 Перенапряжение при торможении
  • Слишком короткое время торможения (резкая рекуперация).
  • Высокое входное напряжение.
  • Большой момент инерции у нагрузки.
  • Неподходящий (слишком маломощный) тормозной резистор.
  • Неправильно настроены параметры тормозного модуля.
  • Увеличить время торможения/рекуперации.
  • Проверить входное напряжение.
  • Подобрать тормозной резистор и модуль с запасом по мощности.
  • Настроить коэффициенты использования тормозной цепи.
POF Перегрузка зарядного резистора
  • Сильное или длительное повышенное входное напряжение, приводящее к перегреву зарядного/блокирующего резистора.
  • Проверить параметры сети питания; при необходимости устранить причин повышенного напряжения.
  • Проверить состояние и соответствие номиналу зарядного резистора.
LU Пониженное напряжение питания
  • Низкое напряжение от источника питания.
  • Отсутствует питание (выключен автомат, предохранитель или другой элемент цепи).
  • Срабатывание при включении (временная индикация).
  • Проверить и восстановить нормальное напряжение сети.
  • Проверить состояние автоматов, предохранителей и подключений.
  • Убедиться, что источник питания стабильный и адекватный для ПЧ.
oL1 / oL2 Перегрузка преобразователя / перегрузка двигателя
  • Слишком большая механическая нагрузка или заклинивание вала.
  • Слишком малое время разгона (резкий разгон).
  • Избыточный «буст» тока.
  • Неверно задана V/F-характеристика.
  • Низкое напряжение сети или неправильный номинальный ток двигателя в настройках.
  • Пуск двигателя при уже вращающемся роторе.
  • Уменьшить механическую нагрузку или применить ПЧ большей мощности.
  • Увеличить время разгона.
  • Уменьшить «буст» и корректировать V/F.
  • Проверить и исправить параметры номинального тока (PC10) и другие настройки.
  • Устранить механические заедания и проверить состояние механики.
oH Перегрев силового модуля
  • Высокая температура окружающей среды.
  • Загрязнение вентиляционных отверстий или шкафной вентиляции.
  • Неисправность вентилятора охлаждения.
  • Неисправен датчик температуры.
  • Повреждён силовой модуль (избыточный нагрев).
  • Снизить температуру в помещении или улучшить вентиляцию шкафа.
  • Очистить вентиляционные отверстия и фильтры.
  • Проверить вентилятор и заменить при необходимости.
  • При подозрении на неисправность силового модуля — направить в сервис.
EF Внешняя ошибка управления
  • Ошибка или неверный сигнал на программируемом входе ПЧ.
  • Неверная логика внешних управляющих устройств.
  • Проверить схему подключения внешних входов и проводку.
  • Проверить назначение и программирование входов в параметрах ПЧ.
Co Нарушение передачи данных (коммуникация)
  • Некорректное подключение интерфейсных проводов/разъёмов.
  • Неправильные параметры передачи (скорость, биты, паритет).
  • Несовместимость формата данных между ведущим устройством и ПЧ.
  • Проверить и при необходимости заменить кабель/разъёмы интерфейса.
  • Настроить параметры протокола (скорость, формат) согласно документации.
  • Убедиться в совместимости протоколов master/slave и формате данных.
LP Обратная связь ПИД ниже нижнего предела
  • Отсутствует или неисправен датчик обратной связи (обрыв цепи).
  • Некорректные параметры ПИД-регулятора.
  • Проверить целостность проводов датчика и сам датчик, устранить обрыв.
  • Скорректировать параметры ПИД (диапазоны, уставки).
HP Обратная связь ПИД выше верхнего предела
  • Неисправен или неправильно подключён датчик обратной связи.
  • Неправильные настройки ПИД.
  • Проверить проводку и датчик, при необходимости заменить.
  • Настроить параметры ПИД, проверить диапазоны и фильтрацию сигнала.
LL Ошибка «сухой ход» (типично для насосов)
  • Отсутствует или неверно считывается сигнал датчика потока/уровня.
  • Неправильно настроены параметры ПИД/контроля насоса.
  • Фактически отсутствует жидкость в системе (сухой ход).
  • Проверить датчики уровня/потока и их проводку.
  • Скорректировать параметры ПИД и защит сухого хода.
  • Проверить состояние трубопровода и наличие жидкости.
20 Отсутствует токовый сигнал обратной связи
  • Обрыв цепи датчика тока или выходного трансформатора тока.
  • Устранить обрыв в цепи обратной связи.
  • Отремонтировать или заменить датчик тока/трансформатор тока.
CBC Импульсное ограничение тока
  • Частые превышения тока из-за повышенной нагрузки или заклинивания вала.
  • ПЧ не справляется с номинальной нагрузкой (недостаточная мощность).
  • Устранить механические заедания и снизить нагрузку.
  • Рассмотреть установку ПЧ большей мощности.
SLP Спящий режим (пониженное энергопотребление)
  • ПЧ находится в режиме «спящий» из-за отсутствия внешнего задания или команд управления.
  • Вывести ПЧ из спящего режима — подать команду на запуск или внешнее задание.

Примечание: перед выполнением любых работ по диагностике и ремонту обязательно отключите питание и соблюдайте правила электробезопасности. Если причина ошибки не ясна или требуется ремонт силовой электроники - обратитесь в сервисный центр.

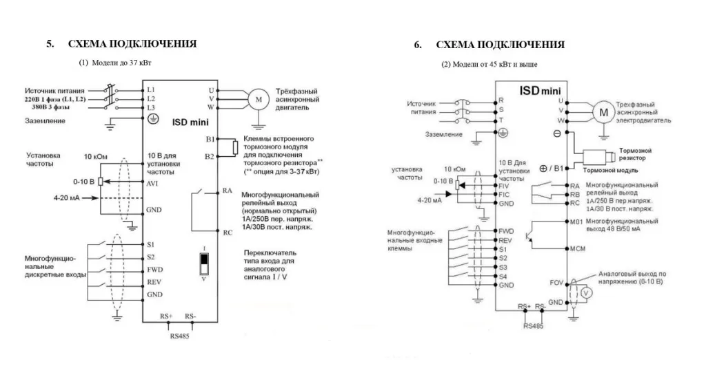
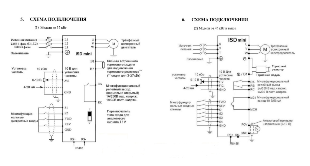
Схема подключения Innovert серии ISD mini Plus

Схема подключения ПЧ Innovert ISD mini Plus фото

Быстрый просмотр 0,18 кВт (вх: 1ф x 220В / вых: 3ф х 220В) Преобразователь INNOVERT ISD181M21E mini PLUS, выходной ток 1.0 А INNOVERT
Рейтинг:

Серия: ISD Mini PLUS

13 906.54 ₽ /шт

Быстрый просмотр Преобразователь частоты ISD401M21E INNOVERT ISD Mini PLUS 0,4 кВт 220 В
Рейтинг:

Серия: ISD Mini PLUS

14 111.50 ₽ /шт

Быстрый просмотр Преобразователь частоты ISD401M43E INNOVERT 0,4 кВт 380 В
Рейтинг:

Серия: ISD Mini PLUS

18 190.20 ₽ /шт

Быстрый просмотр Преобразователь частоты ISD112M43E INNOVERT 1,1 кВт 380 В
Рейтинг:

Серия: ISD Mini PLUS

19 337.98 ₽ /шт

Быстрый просмотр (2,2 кВтx380 В) Преобразователь INNOVERT ISD222M43B mini, выходной ток 5.0 А INNOVERT
Рейтинг:

Серия: ISD Mini PLUS