
Меню
С 8:00 до 17:00
г. Москва, Старопетровский проезд, дом 7А, строение 6, помещение 304/1
Заказать звонок
Личный кабинет

Рейтинг товара
У данного товара пока нет отзывов
Авторизация
Регистрация
Описание
Характеристики
Отзывы
Вопросы
Как купить
Доставка
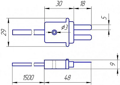
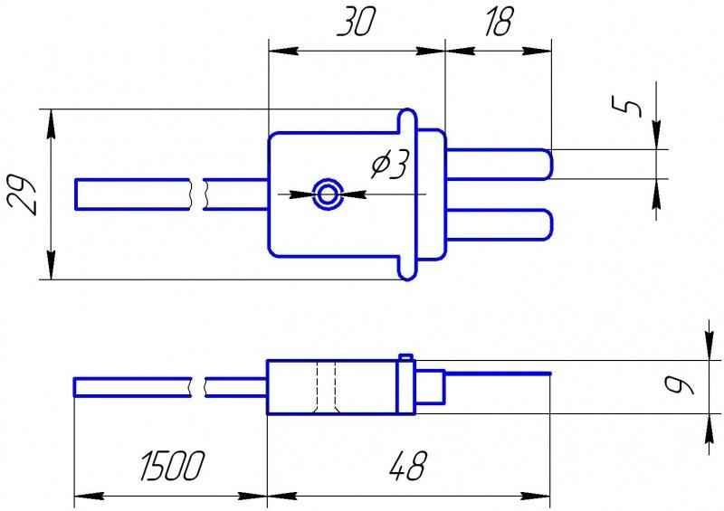
Реле контроля уровня серии "PZ"
Монтаж на DIN-рейку.
Предназначено для контроля и поддержания заданного уровня токопроводящих жидкостей в резервуарах, бассейнах, водонапорных башнях и т.п. и управления электродвигателями насосных установок.
При включении питания реле входит в рабочий режим через 2 секунды. Клеммы подключения датчиков гальванически изолированы от цепей питания. В зависимости от жидкости, в которую помещается датчик, изменяется чувствительность входных каскадов автомата. Для нормальной работы, после монтажа, следует отрегулировать чувствительность при помощи регуляторов на лицевой панели («100» - увеличение, «1» - уменьшение).
Датчик в комплекте. Возможно удлинение провода подключения датчиков до 50 метров.
Особенности реле уровня PZ-828:
максимальный ток нагрузки - 16 А;
контакты - 1NO/NC;
Производитель
Артикул
EA08.001.001
Ширина, мм
35 мм
Вес
0.261
Высота (мм)
90
Страна производства
Беларусь
Гарантия, лет
2 года
Глубина, мм
65 мм
Ничего не найдено
Ничего не найдено
Чтобы приобрести товар в нашем интернет-магазине нашим покупателям доступно 2 способа: первый – это самостоятельное оформление заказа через б2б кабинет на сайте интернет-магазина; второй - отправка запроса с указанной номенклатурой и полными реквизитами покупателя на электронную почту.
Покупатель может выбрать удобный для него способ оформления заказа и далее действовать в соответствии с инструкцией.
I. Вариант: Самостоятельное оформление заказа через б2б кабинет на сайте интернет-магазина
!!! Пожалуйста, внимательно прочитайте условия в счете на оплату. В случае возникновения вопросов по счету напишите на lenta@gamm.ru или позвоните в отел продаж по номеру +7 (985) 800-13-29.
II. Вариант: Отправка запроса с указанной номенклатурой и полными реквизитами покупателя на электронную почту lenta@gamm.ru
В письме укажите:
Если нужна доставка, то укажите требования к доставке: доставка транспортной компанией до определенного города (например, доставка до терминала ТК «Деловые линии» г. Астрахань) или укажите полный адрес доставки, если вам нужна доставка «до двери»
!!! Пожалуйста, внимательно прочитайте условия в счете на оплату. В случае возникновения вопросов по счету напишите на lenta@gamm.ru или позвоните в отел продаж +7 (985) 800-13-29
В случае возникновения любых вопросов по формированию счетов, условий поставки, изменения условий по сделке направляйте информацию на адрес lenta@gamm.ru и наша служба продаж оперативно вам ответит. Будем рады видеть вас нашим постоянным покупателем.




Прайс-лист
