
Меню
С 8:00 до 17:00
г. Москва, Старопетровский проезд, дом 7А, строение 6, помещение 304/1
Заказать звонок
Личный кабинет


В наличии 15 шт
Рейтинг товара
У данного товара пока нет отзывов
Авторизация
Регистрация
Описание
Характеристики
Отзывы
Вопросы
Как купить
Доставка
Пневматический вибратор ИВШ-25 Красный маяк – это высокоэффективное устройство, предназначенное для облегчения процесса вибрации и уплотнения различных сыпучих материалов. С его помощью можно значительно ускорить выполнение работ, улучшить качество укладки и повысить производительность.
Пневматический вибратор ИВШ-25 используется в широком диапазоне отраслей, включая строительные работы, производство бетона и упаковку. Он идеально подходит для:
Производитель
Серия
ИВШ
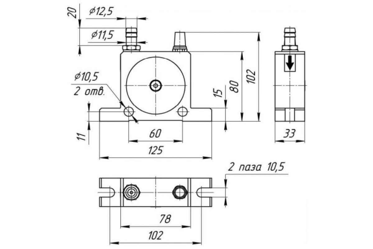
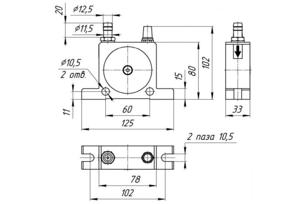
Ширина, мм
125 мм
Вес
1
Высота (мм)
33
Размеры
125х33х102
Напр. на вибронаконечнике, В
220
Производительность, м3/ч
20
Вынужд. сила, Кн
1,4...3,0
Тип привода
Пневматический
Синхронная частота, мин -1
290 / 380 / 480 / 580 / 660
Расход воздуха, л/мин
290 / 380 / 480 / 580 / 660
Давление сжатого воздуха, бар
2 / 3 / 4 / 5 / 6
Страна производства
Россия
Глубина, мм
102 мм
Ничего не найдено
Ничего не найдено
Чтобы приобрести товар в нашем интернет-магазине нашим покупателям доступно 2 способа: первый – это самостоятельное оформление заказа через б2б кабинет на сайте интернет-магазина; второй - отправка запроса с указанной номенклатурой и полными реквизитами покупателя на электронную почту.
Покупатель может выбрать удобный для него способ оформления заказа и далее действовать в соответствии с инструкцией.
I. Вариант: Самостоятельное оформление заказа через б2б кабинет на сайте интернет-магазина
!!! Пожалуйста, внимательно прочитайте условия в счете на оплату. В случае возникновения вопросов по счету напишите на lenta@gamm.ru или позвоните в отел продаж по номеру +7 (985) 800-13-29.
II. Вариант: Отправка запроса с указанной номенклатурой и полными реквизитами покупателя на электронную почту lenta@gamm.ru
В письме укажите:
Если нужна доставка, то укажите требования к доставке: доставка транспортной компанией до определенного города (например, доставка до терминала ТК «Деловые линии» г. Астрахань) или укажите полный адрес доставки, если вам нужна доставка «до двери»
!!! Пожалуйста, внимательно прочитайте условия в счете на оплату. В случае возникновения вопросов по счету напишите на lenta@gamm.ru или позвоните в отел продаж +7 (985) 800-13-29
В случае возникновения любых вопросов по формированию счетов, условий поставки, изменения условий по сделке направляйте информацию на адрес lenta@gamm.ru и наша служба продаж оперативно вам ответит. Будем рады видеть вас нашим постоянным покупателем.




Прайс-лист


