
Меню
С 8:00 до 17:00
г. Москва, Старопетровский проезд, дом 7А, строение 6, помещение 304/1
Заказать звонок
Личный кабинет


В наличии 15 шт
Рейтинг товара
У данного товара пока нет отзывов
Авторизация
Регистрация
Описание
Характеристики
Отзывы
Вопросы
Как купить
Доставка
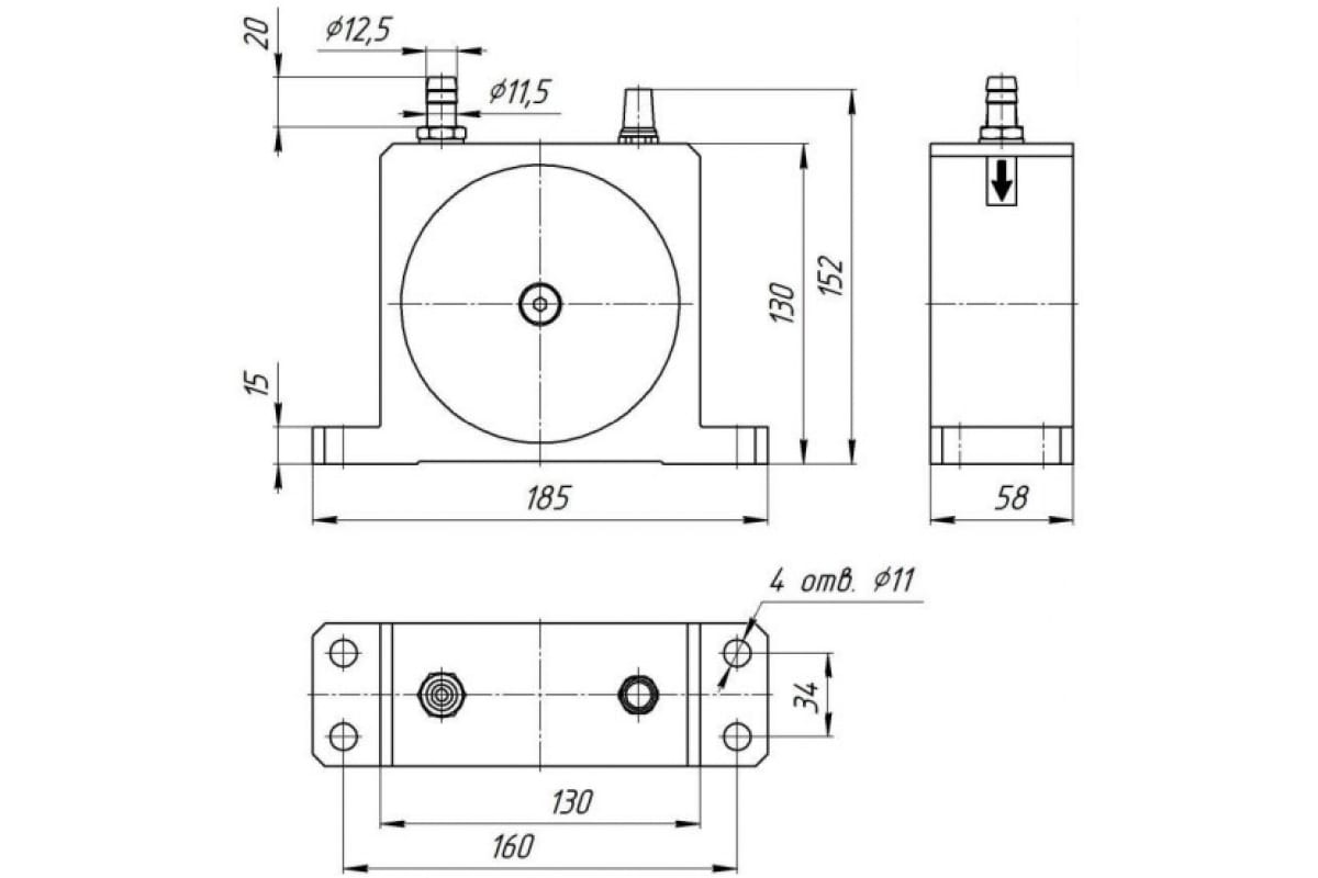
Пневматический вибратор ИВШ-41 от компании Красный маяк является надежным инструментом для выполнения различных задач, связанных с вибрацией и уплотнением материалов. Его компактные размеры и мощный пневматический привод делают его идеальным выбором для работы в условиях ограниченного пространства. Вибратор обеспечивает высокую эффективность и простоту в использовании, что делает его отличным помощником в сборочных производствах и строительстве.
Вибратор ИВШ-41 применяется в следующих областях:
Производитель
Серия
ИВШ
Мощность, кВт
кВт
Ширина, мм
185 мм
Вес
5.5
Высота (мм)
58
Напр. на вибронаконечнике, В
42
Вынужд. сила, Кн
0.71 / 0.95 1.2 / 1.44 / 1.7
Тип привода
Пневматический
Синхронная частота, мин -1
550 / 750 / 950 / 1150 / 1350
Расход воздуха, л/мин
550 / 750 / 950 / 1150 / 1350
Давление сжатого воздуха, бар
2 / 3 / 4 / 5 / 6
Потребляемая мощность, кВт
кВт
Страна производства
Россия
Глубина, мм
152 мм
Ничего не найдено
Ничего не найдено
Чтобы приобрести товар в нашем интернет-магазине нашим покупателям доступно 2 способа: первый – это самостоятельное оформление заказа через б2б кабинет на сайте интернет-магазина; второй - отправка запроса с указанной номенклатурой и полными реквизитами покупателя на электронную почту.
Покупатель может выбрать удобный для него способ оформления заказа и далее действовать в соответствии с инструкцией.
I. Вариант: Самостоятельное оформление заказа через б2б кабинет на сайте интернет-магазина
!!! Пожалуйста, внимательно прочитайте условия в счете на оплату. В случае возникновения вопросов по счету напишите на lenta@gamm.ru или позвоните в отел продаж по номеру +7 (985) 800-13-29.
II. Вариант: Отправка запроса с указанной номенклатурой и полными реквизитами покупателя на электронную почту lenta@gamm.ru
В письме укажите:
Если нужна доставка, то укажите требования к доставке: доставка транспортной компанией до определенного города (например, доставка до терминала ТК «Деловые линии» г. Астрахань) или укажите полный адрес доставки, если вам нужна доставка «до двери»
!!! Пожалуйста, внимательно прочитайте условия в счете на оплату. В случае возникновения вопросов по счету напишите на lenta@gamm.ru или позвоните в отел продаж +7 (985) 800-13-29
В случае возникновения любых вопросов по формированию счетов, условий поставки, изменения условий по сделке направляйте информацию на адрес lenta@gamm.ru и наша служба продаж оперативно вам ответит. Будем рады видеть вас нашим постоянным покупателем.




Прайс-лист


